Котлы Валдай 75-200 кВт
![]() |
![]() |
![]() |
Котлы "Валдай" производства ООО "Общемаш" имеют декларацию ЕАС
ИНСТРУКЦИЯ ПО ЭКСПЛУАТАЦИИ ВАЛДАЙ 75-200МА
ИНСТРУКЦИЯ ПО ЭКСПЛУАТАЦИИ ГОРЕЛОК РВ
Котлы "Валдай" предназначены для теплоснабжения (отопления) индивидуальных жилых домов, зданий коммунально-бытового назначения, оборудованных системой водяного отопления.
Пеллетные котлы "Валдай" имеют уникальный водотрубный теплообменник, проектируемый изначально для использования пеллет и отвечающий следующим требованиям:
- легкость очистки,
- минимальные отложения золы на поверхностях теплообменника,
- высокий КПД – при работе на дровах 76%, при работе на пеллетах 90%,
- удобство эксплуатации.
Котлы "Валдай" серии МА имеют в дополнение к возможностям блока управления котла Валдай М, встроенные модули управления GSM/WiFi для дистанционного доступа.
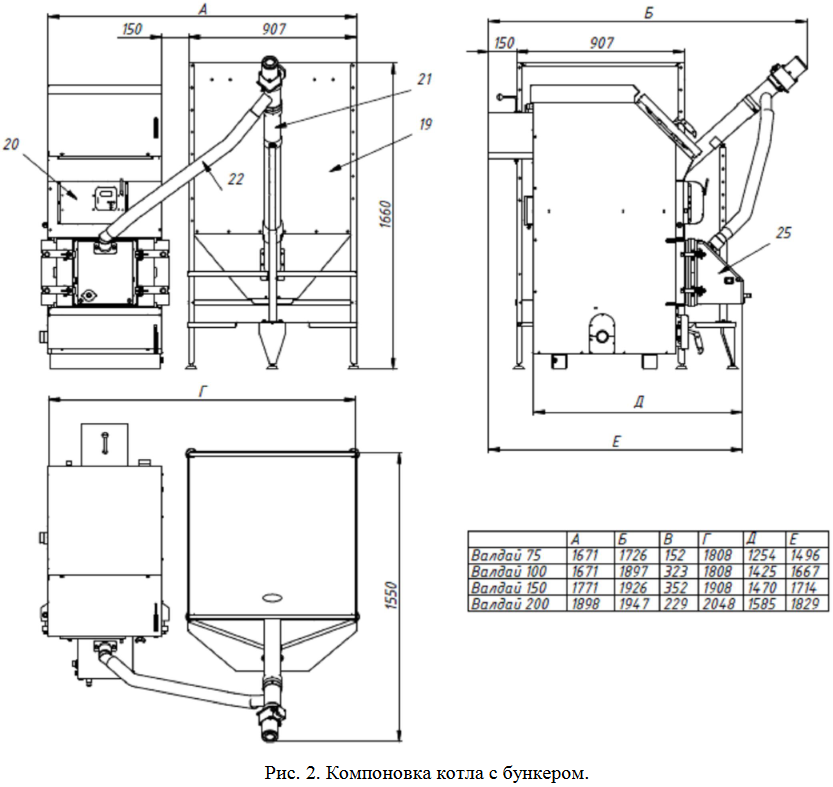
Габаритные размеры котлов Валдай с горелкой ВС


ТЕХНИЧЕСКИЕ ХАРАКТЕРИСТИКИ КОТЛОВ "ВАЛДАЙ 75…200"
|
Наименование параметра |
Валдай-75МА |
Валдай-100МА |
Валдай-150МА |
Валдай 200МА |
||||
|
Вид используемого топлива:
|
древесные пеллеты, из лузги подсолнечника, из костры льна |
|||||||
|
Номинальная тепловая мощность, кВт |
75 |
100 |
150 |
200 |
||||
|
Диапазон регулирования мощности, кВт |
20-75 |
20-100 |
30-150 |
40-200 |
||||
|
КПД, %, не менее |
90 |
|||||||
|
Тип теплоносителя |
Вода |
|||||||
|
Рекомендуемый расход воды, м3/час |
6 |
9 |
13 |
17 |
||||
|
Потери давления, атм |
0,02 |
0,02 |
0,09 |
0,15 |
||||
|
Объем воды в теплообменнике аппарата, л |
120 |
150 |
185 |
320 |
||||
|
Максимальное допустимое рабочее давление, бар |
2 |
|||||||
|
Требуемое разрежение за котлом, Па |
20 |
30 |
||||||
|
Размер патрубков подключения, «резьба» |
G2 ̎ |
|||||||
|
Требуемый диаметр дымохода, мм |
250 |
|||||||
|
Масса, не более, кг |
505 |
680 |
730 |
960 |
||||
|
Назначенный срок службы |
Не менее 15 лет |
|||||||
|
Тип пеллетной горелки |
РВ20/100МА |
РВ30/ |
РВ40/ |
|||||
КОМПЛЕКТ ПОСТАВКИ
|
котел |
1 шт., |
|
горелка пеллетная |
1 шт., |
|
- совок, скребок |
1 комплект, |
|
- ящик для золы (на днище котла) |
1 шт., |
|
- руководство по эксплуатации и технический паспорт на котел |
1 шт. |


